Inloggen
Offertelijst
Winkelmandje
Neem contact op +31(0)26 370 6830

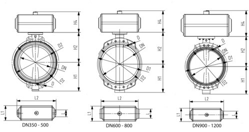
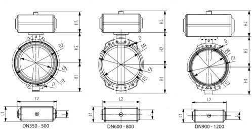
Georg Fischer BuV 039P GG/FKM 24DN600, 198039254

Stuur mij een offerteZet in favorieten
Festo levertijd

De aangegeven levertijden zijn de werkdagen of werkweken die de fabrikant opgeeft.

Indien de levertijd voor u kritisch is verzoeken wij u contact op te nemen zodat wij de levertijd voor u kunnen checken.

Levertijd op aanvraag
Toevoegen aan favorieten

Waarom Ebora:

 

  • Denkt met u mee
  • Duidelijke aanbiedingen
  • Flexibel en pro-actief
  • Kennis van zaken
  • Snelle levering
  • Artikelomschrijving & specificaties
  • Documenten
  • Veel gestelde vragen

Artikelomschrijving

"BuV 039P GG/FKM 24DN600"";GeorgFischer
198039254
BuV 039P GG/FKM 24DN600""""

Specificaties

MerkGeorg Fischer
CategorieOverige
Tags GeorgFischer{#}198039254{#}BuV 039P GG/FKM 24DN600"
EAN Code
Per Stuk(s):7613185517299
Per Stuk(s):84818090
Artikelcode10139186
VerpakkingStuk(s)

Stel een vraag over dit artikel

Winkelmandje

Offertelijst

Wis filters

Filter

&nspb;

Annuleren
Bevestigen