Inloggen
Winkelmandje
Voor 14:00 besteld, vandaag verzonden*
30 dagen bedenktijd Omdat je online niet alles kan zien.
Kleur
Chroom mat Zwart Wit
Verdekt 3D-instelbaar scharnier met grote draaicirkel voor binnendeuren tot 80 kg.
vanaf 34,58 28,58 Excl. BTW
Productinformatieblad
Kies een productvariant hierboven om het artikel in de winkelwagen te plaatsen.
Reviews Schrijf een review
Toevoegen aan favorieten
  • Artikelomschrijving & specificaties
  • Documenten
  • Vaak samen gekocht
  • Alternatieve artikelen
  • Blogs
  • Veel gestelde vragen

Artikelomschrijving

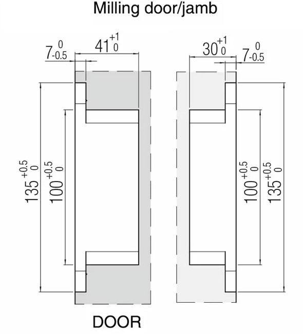
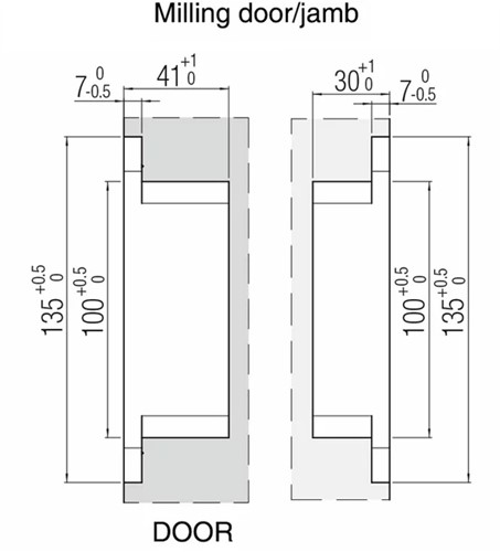
Het Kubica scharnier K2780 is een verdekt scharnier met een grote draaicirkel. Het scharnier is speciaal ontwikkeld om in het midden van het deurblad te kunnen plaatsen (deurdikte maximaal 45 mm). Voordeel daarvan is dat deuren alvast voorbereid kunnen worden op de scharnieren als de draairichting in het project nog niet vast staat.

Verdekte scharnieren zijn onzichtbaar als de deur gesloten is en prachtig als de deur open staat. Ze zijn speciaal voor situaties waarbij de deur en het kozijn in 1 lijn liggen (flush), maar vooral in gebouwen die gerenoveerd worden komt men bij de binnendeuren vaak koplatten (sierlijsten) en plinten tegen. Door de grote draaicirkel van het Kubica K2780 scharnier kunnen ook bij deze deuren verdekte scharnieren worden toegepast.


Max. deurgewicht met 2 scharnieren: 80 kg
Gebruik 3 scharnieren per deur bij een deurhoogte tot 2115 mm
Gebruik 4 scharnieren per deur bij een deurhoogte tot 2315 mm

Wil je weten waar je het Kubica K2780 scharnier precies moet plaatsen voor deze grote draaicirkel? Lees dan onze blog: In detail: het Kubica K2700 scharnier.

De Kubica K2780 scharnieren kunnen maximaal om 10 mm dikke koplatten en/of plinten heen draaien bij een plaatsing op 4 mm vanaf de voorkant van het deurblad (zie bovenstaande blog). Bekijk de technische tekeningen goed of het scharnier geschikt is voor uw situatie. Neem gerust contact met ons op als u twijfelt, we helpen u graag met het vinden van een passend verdekt scharnier.

 

Eigenschappen:

- Voor binnendeuren met een minimale dikte van 35 mm
- Voor binnendeuren met een maximale dikte van 45 mm bij montage in midden deurblad
- DIN onafhankelijk
- Draait om plinten en koplatten van maximaal 10 mm dik (alleen bij alternatieve plaatsing)
- Materiaal: zamak en staal
- 180 graden deuropening
- Onderhoudsvriendelijk
- Duurzaam; getest op minimaal 200.000 open- en sluitbewegingen

 

Informatieve BLOG:

Het K2780 scharnier lijkt in veel opzichten erg op het K2700 scharnier, in de blogs hieronder vind je meer informatie over de plaatsing van het scharnier.

- In detail: het Kubica K2700 scharnier
- Hoe monteer je een verdekt scharnier in een houten kozijn


Documenten

Specificaties

SerieSerie Evolution
Maximaal deurgewicht80 kg
Hoogte scharnier135 mm
Speciale eigenschappenGrote draaicirkel
Materiaal scharnierStaal + Zamak (Hybrid)
Onderdelen/setsScharnier
MerkKrona Koblenz
CategorieKubica scharnieren
EAN Code8718085059739
ArtikelcodeWEB-K2780
Verpakkingstuk

Vaak samen gekocht

Alternatieve artikelen

Schrijf een review

Aantal sterren
Plaats review

Stel een vraag over dit artikel

Winkelmandje

Wis filters

Filter

&nspb;

Annuleren
Bevestigen