Inloggen
Winkelmandje
Voor 14:00 besteld, vandaag verzonden*
30 dagen bedenktijd Omdat je online niet alles kan zien.

Schuifdeursysteem 1050 kasten - hangend - softclose

Hangend schuifdeursysteem voor kastdeuren tot 60 kg. Optioneel met softclose. Klik op pakket samenstellen. Per pakket vanaf:
86,08 71,14 Excl. BTW
Pakket samenstellen
Productinformatieblad
Dit pakket bestaat uit verschillende onderdelen. Klik op 'Pakket samenstellen'.
Reviews Schrijf een review
  • Deze set bestaat uit:
  • 1x Krona Koblenz schuifdeurrail 60/80 kg
  • 0x Dubbele bovenrail kastsysteem 1050
  • 1x Ophangkit kastsysteem 1050
  • 1x Ondergeleidingsprofiel kastsysteem 1050 - 2 meter
Toevoegen aan favorieten
  • Artikelomschrijving & specificaties
  • Documenten
  • Pakket samenstellen
  • Vaak samen gekocht
  • Blogs
  • Veel gestelde vragen

Artikelomschrijving

Schuifdeursysteem 1050 is een hangend schuifdeursysteem voor kastdeuren. Hangend betekent dat de kastdeur aan de wieltjes hangt die in een bovenrail heen en weer rollen. Met dit systeem kun je zoveel kastdeuren toepassen als je wilt en optioneel voor softclose kiezen. Stel nu zelf je 1050 schuifdeurpakket voor kastdeuren samen voor één of meer schuifdeuren met een gewicht van maximaal 60 kg (per deur).


Hoe stel ik een 1050 kast schuifdeursysteem samen


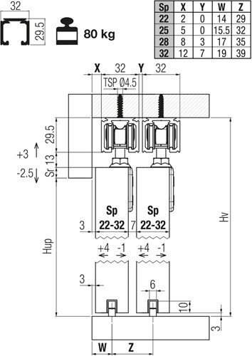
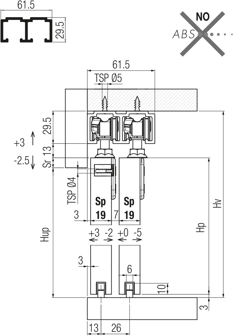
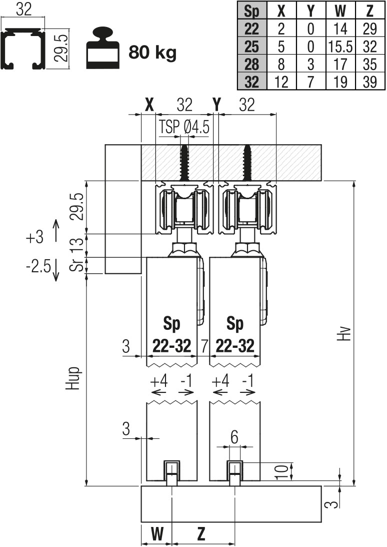
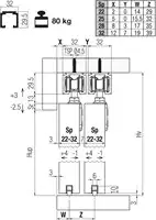
1. De bovenrail: Om 2 deuren voor elkaar langs te kunnen schuiven heb je 2 rails nodig. Is je deurpaneel 19 mm dik? Dan kun je de dubbele bovenrail gebruiken. Is je deur 20 - 32 mm dik? Gebruik dan 2 losse 80 kg rails. Afhankelijk van je deurdikte kun je zo de afstand tussen de rails zelf bepalen. Let op: Wil je een softclose ophangkit gebruiken? Gebruik dan de losse 80 kg bovenrail.
2. De ophangkit: Kies hier voor een ophangkit zonder softclose of een ophangkit met softclose. De minimale deurdikte voor een ophangkit met softclose is 22 mm. De minimale deurbreedte voor een ophangkit met softclose 600 mm. Met dit systeem kun je zoveel kastdeuren toepassen als je wilt. 1 ophangkit is voor 1 kastdeur. Wil je een kast met 4 schuifdeuren? Bestel dan 4 ophangkitjes.
3. Een ondergeleidingsprofiel: het ondergeleidingsprofiel komt in de onderkant van je kastdeur. De breedte van je schuifdeur is dus de lengte van het ondergeleidingsprofiel dat je nodig hebt. Het ondergeleidingsprofiel is van kunststof en eenvoudig op maat te zagen. Bestel het gewenste aantal. De lengte van het ondergeleidingsprofiel is 2 meter.

Je pakket is klaar om in de winkelwagen te plaatsen.
Let op: exclusief kastdeuren!

Aandachtspunten softclose ophangkit


De 1050 softclose ophangkit voor kasten bevat een dubbel softclose loopwagen. Dit betekent dat de deur naar beide kanten zacht kan wordt afgeremd. Wil je de softclose maar 1 kant op? Dat is met deze set geen probleem. Door een van de softclose activators niet te monteren kun je van deze set ook een schuifdeur met enkel softclose maken. Ook zijn de 1050 softclose ophangkit en de basis ophangkit zonder softclose met elkaar te combineren. Je kan er dus voor kiezen om niet voor elke deur een softclose ophangkit te gebruiken. Er zijn verder nog enkele aandachtpunten als je graag een softclose ophangkit wilt gebruiken:

- De dubbele bovenrail is niet geschikt voor de softclose ophangkit. Gebruik de enkele 80 kg bovenrail.
- De minimale deurbreedte voor de softclose kit is 600 mm. De minimale deurdikte is 22 mm.
- Plaats de activators voor de softclose alleen op uiteinden van de bovenrail. Zo kunnen deuren op de rest van de rail vrij heen en weer schuiven.


Eigenschappen kast schuifdeursysteem 1050


- Maximaal deurgewicht (per paneel): 60 kg
- Minimale deurdikte voor basis ophangkit: 19 mm
- Minimale deurdikte voor softclose ophangkit: 22 mm
- Minimale deurbreedte voor softclose ophangkit: 600 mm
- Maximale deurdikte: 32 mm
- Afstand tussen deurpanelen: min. 7 mm
- kogelgelagerde delrin wielen
- Inhoud basis ophangkit: 2 loopwagens, 2 eindstops, 1 ondergeleider
- Inhoud softclose ophangkit: 1 loopwagen, 1 softclose loopwagen, 2 eindstops, 2 activators, 1 ondergeleider

Documenten

Specificaties

MerkKrona Koblenz
CategorieSchuifdeursystemen kasten
ArtikelcodePAKKET-kast-1050-60
Verpakkingpakket, vanaf:

Pakket samenstellen

Plaats 2 rails naast elkaar, om deuren voor elkaar langs te kunnen laten schuiven.
Krona Koblenz schuifdeurrail 60/80 kg

Schuifdeurrail van het merk Krona Koblenz te gebruiken voor één of meerdere schuifdeuren met een maximaal gewicht van 80kg (per deur).
Kies de gewenste lengte van de bovenrail.

Deze aluminium schuifdeurrail is geschikt voor diverse...
Lengte

Niet geschikt voor deurpanelen dikker dan 19 mm.
Dubbele bovenrail kastsysteem 1050

Aluminium dubbele bovenrail voor schuifdeursysteem 1050 voor kasten. Let op: geschikt voor kastdeuren met een maximale deurdikte van 19 mm!

Selecteer de gewenste lengte en het aantal rails.
Lengte

Let op: voor een softclose ophangkit is de minimale deurdikte 22 mm en de minimale deurbreedte is 600 mm.
Ophangkit kastsysteem 1050

Ophangkit voor een kastdeur voor hangend schuifdeursysteem 1050.

Selecteer de gewenste ophangkit (met of zonder softclose) en het aantal. Bestel 1 ophangkit per kastdeur.
Kies de gewenste set:

Ondergeleidingsprofiel kastsysteem 1050 - 2 meter

Kunststof U-profiel voor in de onderkant van de schuifdeur in lengte 2 meter. Eenvoudig op maat te zagen.

Selecteer het gewenste aantal.
Levertijd (lengtetransport): 1 tot 3 werkdagen. Voorraad: 45.
  • Deze set bestaat uit:
  • 1x Krona Koblenz schuifdeurrail 60/80 kg
  • 0x Dubbele bovenrail kastsysteem 1050
  • 1x Ophangkit kastsysteem 1050
  • 1x Ondergeleidingsprofiel kastsysteem 1050 - 2 meter
Samengestelde prijs:
86,08 71,14 Excl. BTW

Vaak samen gekocht

Schrijf een review

Aantal sterren
Plaats review

Stel een vraag over dit artikel

Winkelmandje

Wis filters

Filter

&nspb;

Annuleren
Bevestigen