Login
Quotation list
Shopping cart
Get in contact +31(0)26 370 6830

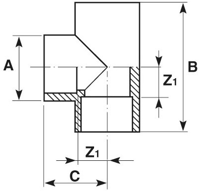
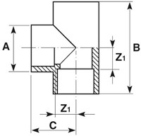
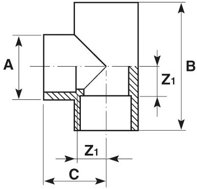
Durapipe ABS Tee 90°

Ask for quotationAdd to wish list
Festo Delivery Time

The stated delivery times are the working days or weeks indicated by the manufacturer.

If the delivery time is critical for you, please contact us so we can verify it for you.

Delivery time on request
Add to favorites

Why Ebora :

  • We think with you
  • Clear offers
  • Flexible and proactive
  • knowledgeable
  • Product description and specifications
  • Documents
  • Ask a Question

Product description

Durapipe ABS Tee 90°

Specifications

Type of articleLeidingsystemen
BrandDurapipe
CategoryPiping systems
Tags Durapipe 11122323, ABS T-stuk 90° d315
Product code3129
UnitPiece (s)

Ask a question about this product

Shopping cart

Quotation list

Clear filters

Filter

&nspb;

Cancel
Confirm