Login
Quotation list
Shopping cart
Get in contact +31(0)26 370 6830
540,19 653,63 Incl. VAT
Ask for quotationAdd to wish list
Festo Delivery Time

The stated delivery times are the working days or weeks indicated by the manufacturer.

If the delivery time is critical for you, please contact us so we can verify it for you.

Delivery time about 2-3 weeks
Add to favorites

Why Ebora :

  • We think with you
  • Clear offers
  • Flexible and proactive
  • knowledgeable
  • Product description and specifications
  • Documents
  • Ask a Question

Product description

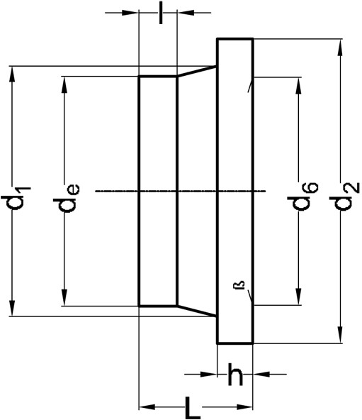
PP-H Voorlaskraag verlengd kort uit CR/FR DE225mm SDR17

Specifications

BrandAkatherm
CategoryPiping systems
Tags Akatherm Appendages Leidingsystemen 472271206
Product code10091864
UnitPiece (s)

Ask a question about this product

Shopping cart

Quotation list

Clear filters

Filter

&nspb;

Cancel
Confirm